
Test del prodotto
WiFi speedtest Swisscom: cosa sa fare l’Internet-Box 3?
di Martin Jud

Se il router WiFi non è abbastanza potente, è il momento di acquistare un nuovo hardware. Ad esempio per un’espansione mesh. A tale scopo Swisscom offre ai propri clienti il WLAN-Box 2.
L’Internet-Box 3 di Swisscom offre solide prestazioni WiFi. Tuttavia, non bastano per avere Internet veloce su tutta l'area del mio appartamento. Il mio balcone, ad esempio, è il punto debole del router. Non arriva a più di 16,52 Mbps. Ma la storia sta per cambiare.
Puoi espandere il WiFi con un access point o un router aggiuntivo compatibile con la rete. A differenza di un ripetitore WiFi, un access point mesh non solo inoltra un segnale, ma crea anche una seconda rete radio decentralizzata che funziona di pari passo con la prima. È anche possibile allestire diverse reti radio supplementari – nel caso di Swisscom è possibile configurare fino a quattro piccoli box aggiuntivi.
Le specifiche del WLAN-Box 2:
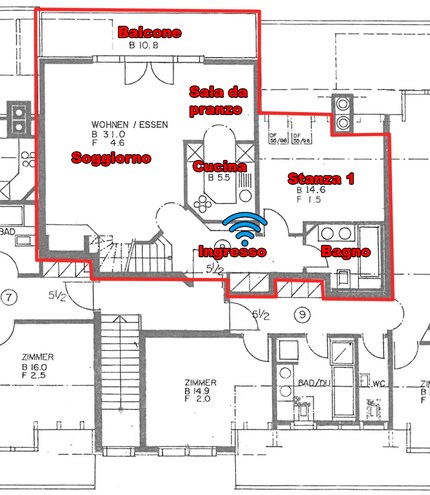
Dato che la mia maisonette da 140 m² è già stata usata due volte per i test di velocità WiFi, so dai risultati dove si trova il posto migliore per il box aggiuntivo, e cioè dove il segnale del router, installato al secondo piano insieme al collegamento via cavo più centrale dell'appartamento, è più performante al primo piano mansardato. Si tratta dell’ingresso, più precisamente sulla scarpiera alla parete che dà verso la cucina. Nella planimetria dell'appartamento sottostante, la posizione dell’Internet-Box 3 è contrassegnata in verde e quella dell'estensione mesh, WLAN-Box 2, in blu.


Il box aggiuntivo può essere integrato alla rete WiFi esistente tramite un'applicazione per smartphone o interfaccia web inserendo l'indirizzo IP 192.168.1.1 in un browser. Tuttavia, non ho Internet con Swisscom, che è ciò che serve per la configurazione. Il mio box è stato preconfigurato e messo a mia disposizione su richiesta dal reparto PR di Swisscom.

Una volta che il WLAN-Box 2 è integrato al WiFi esistente, è possibile collegare fino a tre dispositivi aggiuntivi alle sue porte RJ45 (Gigabit).
Con lo stesso notebook di sempre, vado a fare una passeggiata per l'appartamento. Per misurare la velocità utilizzo il software «LAN Speed Test».. Per ogni posizione del router, carico e scarico un file da 1 GB dal mio NAS. Determino la latenza nella console DOS. Per la potenza del segnale, specificata in decibel milliwatt (dBm), utilizzo il software «NetSpot». Anche le mappe di calore in basso provengono da «NetSpot».
Il WiFi mesh di Swisscom si comporta come segue:
| Posizione | 5 GHz
Velocità / Ping / Segnale | 2,4 GHz
Velocità / Ping / Segnale |
|---|---|---|
| Ingresso | 415,33 Mbps / 3 ms / -40 dBm | 148,02 Mbps / 4 ms / -44 dBm |
| Soggiorno | 392,59 Mbps / 4 ms / -59 dBm | 112,12 Mbps / 5 ms / -58 dBm |
| Sala da pranzo | 390,04 Mbps / 4 ms / -58 dBm | 111,37 Mbps / 5 ms / -63 dBm |
| Cucina | 396,55 Mbps / 3 ms / -55 dBm | 126,56 Mbps / 4 ms / -56 dBm |
| Balcone | 238,47 Mbps / 4 ms / -70 dBm | 80,81 Mbps / 5 ms / -72 dBm |
| Stanza 1 | 396,21 Mbps / 3 ms / -54 dBm | 112,98 Mbps / 4 ms / -63 dBm |
| Bagno | 378,08 Mbps / 3 ms / -55 dBm | 110,25 Mbps / 4 ms / -61 dBm |
| Corridoio | 743,90 Mbps / 2 ms / -48 dBm | 135,74 Mbps / 3 ms / -58 dBm |
| Stanza 2 | 461,16 Mbps / 3 ms / -63 dBm | 96,16 Mbps / 4 ms / -64 dBm |
| Stanza 3 | 823,72 Mbps / 2 ms / -40 dBm | 169,53 Mbps / 2 ms / -43 dBm |
| Stanza 4 | 492,75 Mbps / 3 ms / -60 dBm | 94,09 Mbps / 4 ms / -64 dBm |
| Doccia/WC | 656,87 Mbps / 2 ms / -55 dBm | 109,47 Mbps / 3 ms / -58 dBm |
| Ø | 482,14 Mbps / 3 ms / -55 dBm | 117,26 Mbps / 4 ms / -59 dBm |
I due Box Swisscom riescono a mantenere alto il livello del segnale. Anche il balcone, nota zona problematica, riceve un segnale accettabile con -70 o -72 dBm. La bassa latenza di 3 ms nei 5 GHz e 4 ms nei 2,4 GHz è altrettanto piacevole.
Vista su entrambi i piani, il WiFi a 5 GHz raggiunge una media di 482,14 Mbps; 117,26 Mbps a 2,4 GHz. Ciò corrisponde approssimativamente a una media di dati di 20 streaming UHD Netflix.
Per una volta, le mappe di calore non sono di colore blu intenso. È un bene, perché più blu è il segnale, meno buona è la ricezione. L'esperienza dimostra che diventa precario a partire da -80 dBm.



Il fatto che la banda vada più lontano nella gamma dei 2,4 GHz non ha importanza con la configurazione mesh. Le aree da coprire non sono abbastanza distanti. Anche sul balcone, la banda a 5 GHz ha prestazioni migliori di 2 dBm.



Guardando la banda a 5 GHz, l’Internet-Box 3 di Swisscom in funzionamento autonomo al primo piano mansardato raggiunge i 246,07 Mbps. Con il box aggiuntivo Swisscom, raggiunge 372,47 Mbps. Quindi un sostanziale plus di 126,40 Mbps. Sul balcone, che finora è stato impossibile da raggiungere, è addirittura un plus di 238,47 Mbps. Su tutto l'appartamento, la velocità di trasmissione dati aumenta di 83,17 Mbps. Il mio vecchio UPC Connect Box non riesce a tenere il passo.
Con la buona copertura a 5 GHz fornita dal sistema mesh, la gamma di frequenza a 2,4 GHz gioca solo un ruolo minore. Ora raggiunge anche il balcone con velocità e latenza accettabili grazie al secondo Box. La crescita totale per il funzionamento individuale dell’Internet-Box è di 16,93 Mbps.
Il confronto a 5 GHz:
| Posizione | Swisscom WiFi mesh (WiFi 6) | Swisscom Internet-Box 3 (WiFi 6) | UPC Connect Box (WiFi 5) |
|---|---|---|---|
| Ingresso | 415,33 Mbps / 3 ms / -40 dBm | 458,23 Mbps / 2 ms / -64 dBm | 121,36 Mbps / 4 ms / -73 dBm |
| Soggiorno | 392,59 Mbps / 4 ms / -59 dBm | 155,35 Mbps / 4 ms / -78 dBm | 31,71 Mbps / 12 ms / -76 dBm |
| Sala da pranzo | 390,04 Mbps / 4 ms / -58 dBm | 127,94 Mbps / 5 ms / -83 dBm | 0 Mbps / kein Ping / -82 dBm |
| Cucina | 396,55 Mbps / 3 ms / -55 dBm | 240,57 Mbps / 3 ms / -75 dBm | 0 Mbps / kein Ping / -81 dBm |
| Balcone | 238,47 Mbps / 4 ms / -70 dBm | 0 Mbps / kein Ping / -92 dBm | 0 Mbps / kein Ping / -83 dBm |
| Stanza 1 | 396,21 Mbps / 3 ms / -54 dBm | 357,59 Mbps / 3 ms / -71 dBm | 23,49 Mbps / 14 ms / -78 dBm |
| Bagno | 378,08 Mbps / 3 ms / -55 dBm | 382,80 Mbps / 3 ms / -71 dBm | 85,84 Mbps / 5 ms / -75 dBm |
| Corridoio | 743,90 Mbps / 2 ms / -48 dBm | 718,72 Mbps / 2 ms / -47 dBm | 456,66 Mbps / 5 ms / -55 dBm |
| Stanza 2 | 461,16 Mbps / 3 ms / -63 dBm | 446,76 Mbps / 3 ms / -64 dBm | 384,16 Mbps / 5 ms / -63 dBm |
| Stanza 3 | 823,72 Mbps / 2 ms / -40 dBm | 795,61 Mbps / 2 ms / -38 dBm | 492,58 Mbps / 3 ms / -46 dBm |
| Stanza 4 | 492,75 Mbps / 3 ms / -60 dBm | 475,07 Mbps / 3 ms / -60 dBm | 432,33 Mbps / 4 ms / -55 dBm |
| Doccia/WC | 656,87 Mbps / 2 ms / -55 dBm | 628,98 Mbps / 2 ms / -54 dBm | 382,73 Mbps / 4 ms / -57 dBm |
| Ø | 482,14 Mbps / 3 ms / -55 dBm | 398,97 Mbps / 3 ms* / -66 dBm | 200,91 Mbps / 6 ms* / -69 dBm |
* Valore medio delle stanze che hanno ricezione.
Il confronto a 2,4 GHz:
| Posizione | Swisscom WiFi mesh (WiFi 6) | Swisscom Internet-Box 3 (WiFi 6) | UPC Connect Box (WiFi 5) |
|---|---|---|---|
| Ingresso | 148,02 Mbps / 4 ms / -44 dBm | 135,46 Mbps / 3 ms / -64 dBm | 64,87 Mbps / 6 ms / -66 dBm |
| Soggiorno | 112,12 Mbps / 5 ms / -58 dBm | 48,98 Mbps / 5 ms / -77 dBm | 52,30 Mbps / 7 ms / -69 dBm |
| Sala da pranzo | 111,37 Mbps / 5 ms / -63 dBm | 54,61 Mbps / 5 ms / -75 dBm | 31,81 Mbps / 8 ms / -74 dBm |
| Cucina | 126,56 Mbps / 4 ms / -56 dBm | 128,03 Mbps / 3 ms / -65 dBm | 28,43 Mbps / 8 ms / -76 dBm |
| Balcone | 80,81 Mbps / 5 ms / -72 dBm | 16,52 Mbps / 12 ms / -85 dBm | 16,71 Mbps / 11 ms / -80 dBm |
| Stanza 1 | 112,98 Mbps / 4 ms / -63 dBm | 106,37 Mbps / 4 ms / -65 dBm | 46,17 Mbps / 7 ms / -69 dBm |
| Bagno | 110,25 Mbps / 4 ms / -61 dBm | 108,42 Mbps / 3 ms / -71 dBm | 63,25 Mbps / 6 ms / -65 dBm |
| Corridoio | 135,74 Mbps / 3 ms / -58 dBm | 150,74 Mbps / 2 ms / -54 dBm | 87,12 Mbps / 5 ms / -57 dBm |
| Stanza 2 | 96,16 Mbps / 4 ms / -64 dBm | 88,33 Mbps / 4 ms / -70 dBm | 72,68 Mbps / 7 ms / -60 dBm |
| Stanza 3 | 169,53 Mbps / 2 ms / -43 dBm | 176,88 Mbps / 2 ms / -45 dBm | 93,54 Mbps / 4 ms / -41 dBm |
| Stanza 4 | 94,09 Mbps / 4 ms / -64 dBm | 86,32 Mbps / 4 ms / -64 dBm | 91,09 Mbps / 6 ms / -55 dBm |
| Doccia/WC | 109,47 Mbps / 3 ms / -58 dBm | 103,29 Mbps / 3 ms / -60 dBm | 89,96 Mbps / 6 ms / -55 dBm |
| Ø | 117,26 Mbps / 4 ms / -59 dBm | 100,33 Mbps / 4 ms / -66 dBm | 61,49 Mbps / 7 ms / -64 dBm |
Con il suo box aggiuntivo, Swisscom offre un'estensione WiFi molto favorevole. Finalmente posso navigare in tutto l’appartamento. Oppure potrei farlo se avessi un abbonamento Swisscom. Mi piace la velocità extra, ma è troppo presto per sprofondare in estasi di gioia. Sicuramente ci sono soluzioni mesh ancora più forti.
Nei prossimi test scoprirò esattamente se il sistema mesh Swisscom ha fatto davvero un ottimo lavoro. I prossimi sono due router WiFi 6 di Asus. Sono curioso di vedere cosa riusciranno a fare questi dispositivi. Anche tu? Allora seguimi cliccando su «Segui l’autore» in basso.
La mia musa ispiratrice si trova ovunque. Quando non la trovo, mi lascio ispirare dai miei sogni. La vita può essere vissuta anche sognando a occhi aperti.
Le nostre esperte ed esperti mettono alla prova i prodotti e le loro applicazioni. In modo indipendente e neutrale.
Visualizza tutti