Wago 3-phase power measurement

Delivered between Thu, 7.5. and Sat, 16.5.
More than 10 pieces in stock at supplier
free shipping

Product details

3-Phase Power Measurement AC 20 kV 300 A Extreme

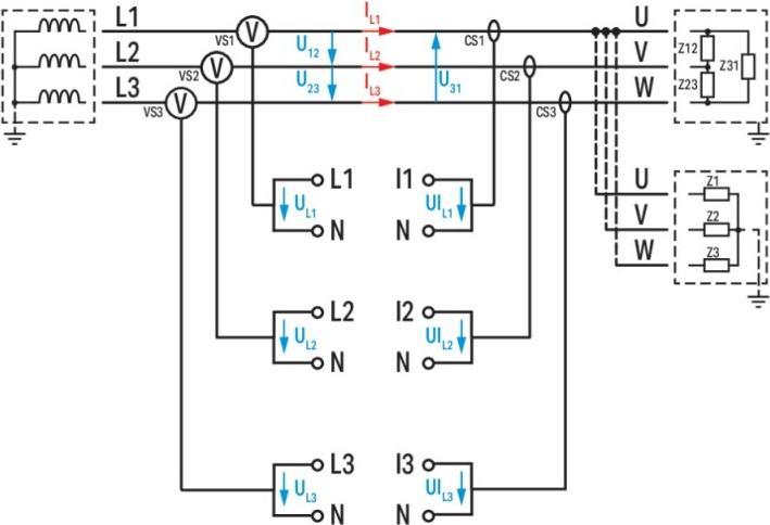
The 3-phase power measurement module (750-495/040-010), also referred to as the I/O module, enables the measurement of electrical data in a 3-phase supply network in the medium voltage range up to 20 kVRMS using voltage sensors according to IEC 60044-7 (now IEC 61869-11) and current sensors according to IEC 60044-8 (now IEC 61869-10).

The I/O module measures nominal voltages up to ULL = 20 kVRMS (ULN = 11.547 kVRMS) and nominal currents up to 300 ARMS. It provides a wide range of measurement values, allowing for a comprehensive analysis of the 3-phase network. Based on the delivered measurement values, the plant operator can optimize the control of their systems and protect the installation from damage and failures.

The voltages of the 3 phases are connected via voltage sensors at the terminals L1, L2, L3, and N, while the currents are connected via current sensors at the terminals I1, I2, I3, and N. Based on these input signals, the I/O module determines various AC measurement values such as voltage and current, reactive, apparent, and active power, energy consumption, power factor, phase angle, and frequency. Additionally, harmonic analysis (current/voltage) for a selectable phase up to the 41st harmonic is possible.

The measurement values are available in the process image without requiring high computational power on the control system.

The device is suitable for use under harsh environmental conditions: extended temperature range, higher voltage withstand capability, and EMC resistance, as well as increased vibration and shock resistance.

Key specifications

Compatible hardware
Various
Sensors
Current sensorVoltage sensor
Scope of delivery
6 Analogue inputs

General information

Item number
36824495
Manufacturer
Wago
Category
Electronics modules
Manufacturer no.
750-495/040-010
Release date
28.6.2023

Compatibility

Compatible hardware
Various

Electronic module properties

Sensors
Current sensorVoltage sensor

Origin

Country of origin
Germany

Voluntary climate contribution

CO₂ emissions
0.82 kg
Climate contribution
CHF 0.11

Scope of delivery

Scope of delivery
6 Analogue inputs

Product dimensions

Length
67.80 mm
Width
24 mm
Height
100 mm

30-day right of return
24 Months Warranty (Bring-in)

Compare products

Goes with

Reviews & Ratings

Warranty score

How often does a product of this brand in the «Electronics modules» category have a defect within the first 24 months?

Source: Digitec Galaxus
  • Wago
    Not enough data
  • 1.Purecrea
    0 %
  • 1.Tru Components
    0 %
  • 3.Whadda
    0.1 %
  • 4.Adafruit
    0.2 %

Warranty case duration

How many working days on average does it take to process a warranty claim from when it arrives at the service centre until it’s back with the customer?

Source: Digitec Galaxus
  • Wago
    Not enough data
  • 1.Raspberry Pi
    0 days
  • 2.WaveShare
    1 day
  • Adafruit
    Not enough data
  • Arduino
    Not enough data

Return rate

How often is a product of this brand in the «Electronics modules» category returned?

Source: Digitec Galaxus
  • Wago
    Not enough data
  • 1.Purecrea
    0 %
  • 1.Tru Components
    0 %
  • 3.Whadda
    0.2 %
  • 4.Adafruit
    0.5 %
Source: Digitec Galaxus