Glutz Multi-point locks MINT 18936 for E-fittings

Delivered between Tue, 7.7. and Fri, 31.7.
2 items ordered
free shipping

Product details

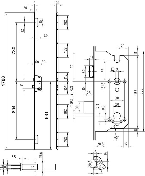
Galvanized steel, automatic latch and bolt blocking after lever actuation, reversible steel latch for left and right, hardened steel main bolt 8x30 mm, 2 hardened steel additional bolts 8x12 mm, with interchangeable function, with forced nut, without strike plates.

The high-quality mechanical multi-locking system with integrated latch and bolt blocking is designed for use in house and apartment entrance doors. It is intended for use only in conjunction with electronic protective fittings, where the lever movement occurs upwards and downwards. By pressing the outside lever upwards, the lock bolts are shot out and blocked. Subsequently, the actuation of the electronic fitting with an authorized medium blocks the lever. The door is fully locked. The door can be opened through identification at the electronic fitting. By pressing the lever downwards, the lock is released. An emergency opening is possible via the cylinder/interchangeable function.

The cylinder screw is not centered from the edge. To determine the cylinder lengths: center of the edge = center of the lock cylinder. No reduction sleeves for the lock nut/spindle are permitted. No knob cylinders are permitted. When using a standard cylinder, the key must always be removed.

Key specifications

Material
Stainless steel
applicability
Entrance door

General information

Item number
10814428
Manufacturer
Glutz
Category
Lock cylinders
Manufacturer no.
246629
Release date
22.3.2019

Colour

Colour
Silver
Exact colour description
Silver

Material

Material group
Metal
Material
Stainless steel
Surface finish
Matt

Locking Cylinder Features

Cylinder + Key Type
Door lock
applicability
Entrance door
Lock cylinder version
Round cylinders
Forend form
Round
Distance
78 mm
Nut diameter
9 mm
Suitable door type
single-winged
Panic function
Without

Origin

Country of origin
Switzerland

Voluntary climate contribution

CO₂ emissions
1.99 kg
Climate contribution
CHF 0.11

Scope of delivery

Items per sales unit
1x
Scope of delivery
1 piece

Product dimensions

Width
20 mm

30-day right of return
24 Months Warranty (Bring-in)
1 additional offer

Compare products

Goes with

Reviews & Ratings

Warranty score

How often does a product of this brand in the «Lock cylinders» category have a defect within the first 24 months?

Source: Digitec Galaxus
  • 10.Burg Wächter
    0.2 %
  • 10.Hettich
    0.2 %
  • 12.Glutz
    0.3 %
  • 12.RS PRO
    0.3 %
  • 12.Schänis
    0.3 %

Warranty case duration

How many working days on average does it take to process a warranty claim from when it arrives at the service centre until it’s back with the customer?

Source: Digitec Galaxus
  • 1.Glutz
    0 days

Return rate

How often is a product of this brand in the «Lock cylinders» category returned?

Source: Digitec Galaxus
  • 15.SSF
    11.3 %
  • 16.Hettich
    13.6 %
  • 17.Glutz
    14.9 %
  • 18.Schänis
    15 %
  • 19.MSL
    25.1 %
Source: Digitec Galaxus